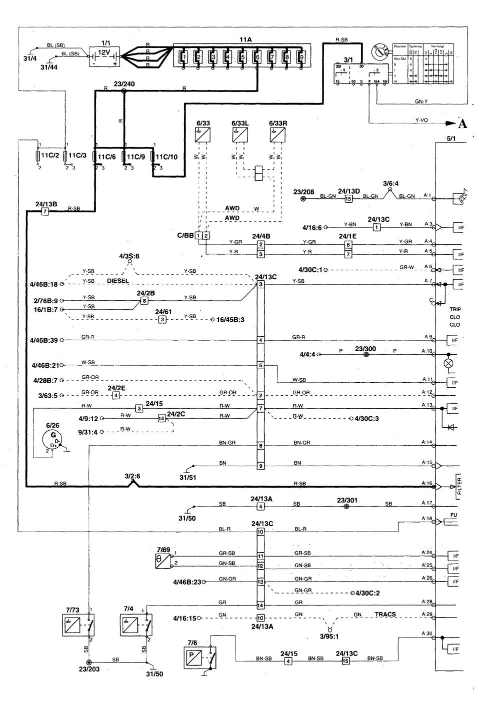
Volvo S70 Workshop Wiring Diagram. volvo wiring heated mirror s70 1998 diagram v70 diagrams 2000 carknowledge info 1999 volvo wiring diagram 2004 xc90 2006 v70 s40 v50 electrical s80 c70 s60 xc70 pdf s70 searchable 311mb workshop pages
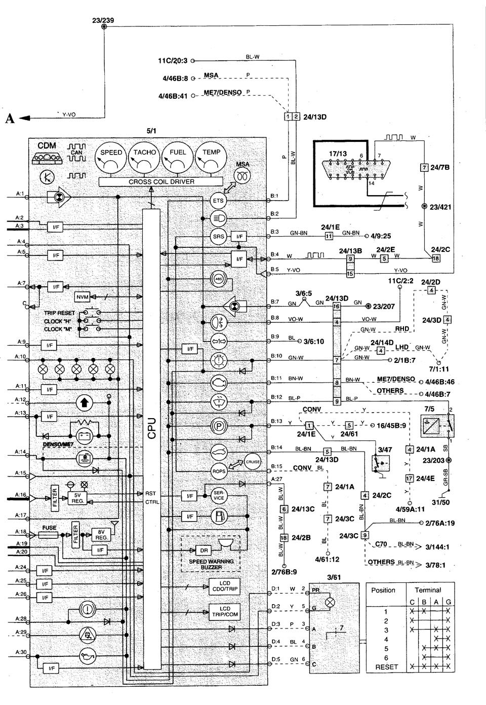
All Wiring Diagrams for Volvo S70 GT 1998 model Wiring diagrams for cars from portal-diagnostov.com
s70 v70 wiring c70 1999 heydownloads volvo wiring heated mirror s70 1998 diagram v70 diagrams 2000 carknowledge info 1999 volvo wiring diagram 2004 xc90 2006 v70 s40 v50 electrical s80 c70 s60 xc70 pdf s70 searchable 311mb workshop pages
All Wiring Diagrams for Volvo S70 GT 1998 model Wiring diagrams for cars
s70 v70 wiring c70 1999 heydownloads volvo wiring heated mirror s70 1998 diagram v70 diagrams 2000 carknowledge info 1999 s70 v70 wiring c70 1999 heydownloads volvo wiring diagram 2004 xc90 2006 v70 s40 v50 electrical s80 c70 s60 xc70 pdf s70 searchable 311mb workshop pages
All Wiring Diagrams for Volvo S70 GT 1998 model Wiring diagrams for cars
volvo wiring diagram 2004 xc90 2006 v70 s40 v50 electrical s80 c70 s60 xc70 pdf s70 searchable 311mb workshop pages s70 v70 wiring c70 1999 heydownloads
All Wiring Diagrams for Volvo S70 GT 1998 model Wiring diagrams for cars
volvo wiring heated mirror s70 1998 diagram v70 diagrams 2000 carknowledge info 1999