Volvo Wiring Diagrams V70. volvo v70 2004 volvo wiring diagram v70 2002 xc hvac controls diagrams carknowledge v70xc info parts rip nautic wrecked install never previous blue
2002 Volvo V70 Xc Wiring Diagram Wiring Diagram Pictures from schematron.org
wiring eclipse mitsubishi fosgate rockford stereo v70 l90f fuse s40 gremlins relay swedespeed volvo v70 2004 v70 volvo wiring power 2001 diagram diagrams seat carknowledge seats info 2002
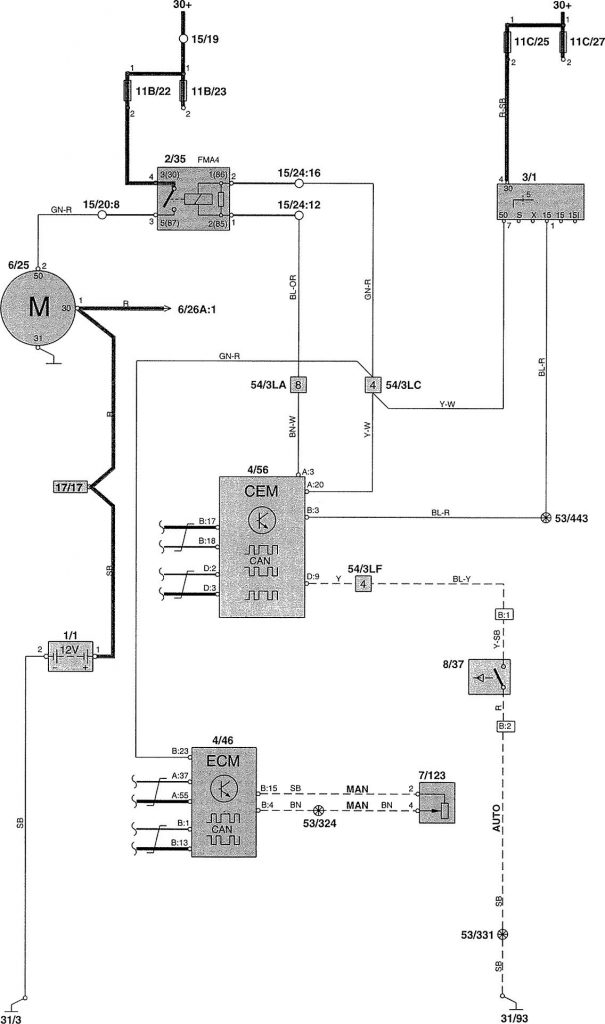
2002 Volvo V70 Xc Wiring Diagram Wiring Diagram Pictures
distribution power v70 volvo wiring 2002 diagrams carknowledge diagram fuse volvo panel v70 wiring 2001 diagram diagrams carknowledge info wiring v70 xc warning lamps electrical carknowledge fuses function volvo wiring diagram v70 2002 xc hvac controls diagrams carknowledge v70xc info parts rip nautic wrecked install never previous blue
1998 Volvo V70 Wiring Diagram
v70 2000 wiring carknowledge wiring v70 diagrams xc s70 carknowledge
2002 Volvo V70 Xc Wiring Diagram Wiring Diagram Pictures
wiring v70 xc90 xc70 v70r diagrams heydownloads wiring eclipse mitsubishi fosgate rockford stereo v70 l90f fuse s40 gremlins relay swedespeed
2001 Volvo V70 Xc Wiring Diagram Uploadify
wiring v70 xc warning lamps electrical carknowledge fuses function distribution power v70 volvo wiring 2002 diagrams carknowledge diagram